T6 HPEPS

T6 High Power Electric Propulsion System Development and Qualification

STATUS | Completed
STATUS DATE | 11/02/2019
ACTIVITY CODE | 4-.005

Objectives

The QinetiQ T6 High Power Electric Propulsion System (HPEPS) project objectives are:
  • to perform the full development and ground qualification of a 5kW-class EP system to be readily deployed on current and future generation geostationary communication satellites (GEO comsats);
  • to perform for GEO comsats station-keeping, orbit-raising, and orbit-repositioning (including to graveyard orbit at end of mission);
  • to utilise a high Specific Impulse operating point to offer lower satellite system wet mass, enabled through higher fuel efficiency, giving potential of increased GEO comsats profitability through either reduced launch masses or increased payloads or increased mission operational lifetime.

T6 Mk4 thruster Qualification Model (left) T6 thruster firing (right) Credit QinetiQ
 
XFCU Qualification Model Credit Bradford Engineering
 
 

Challenges

The key challenges of the project are:
  • to achieve ground qualification of a 5kW-class EP system composed of the building blocks: QinetiQ T6 thruster; Crisa Power Supply and Control Unit (PSCU); and Bradford Engineering Xenon Flow Control Unit (XFCU);
  • to meet the known EP requirements for a range of potential current and future generation GEO comsats;
  • to offer an attractive recurring price.

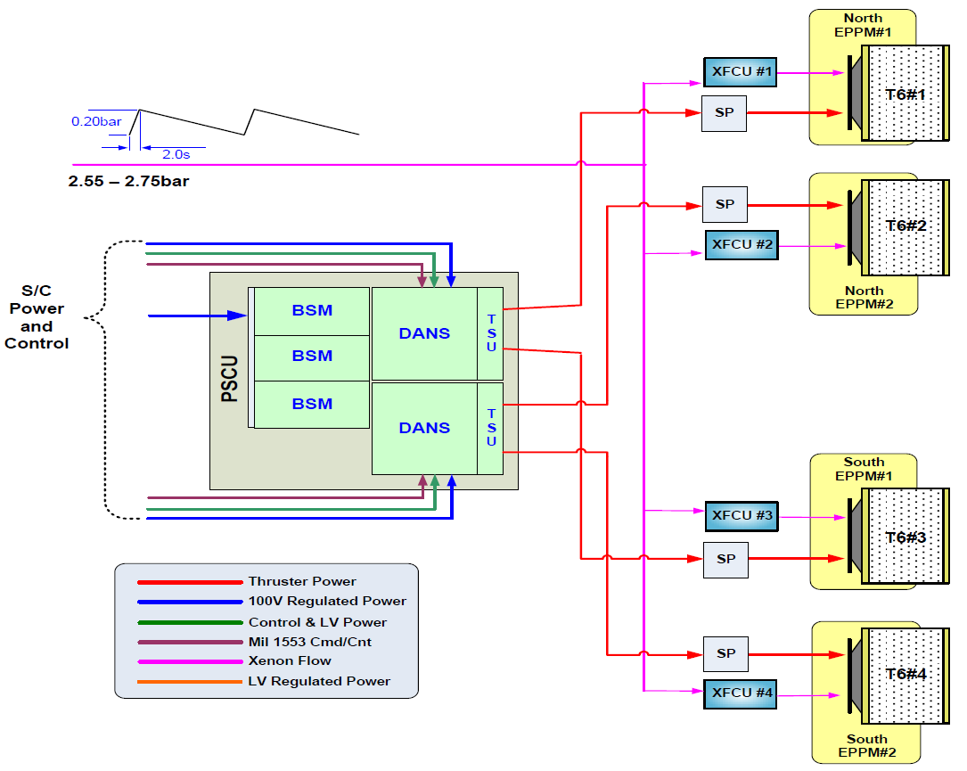
System Architecture

The HPEPS architecture is presented below.

The system for GEO comsats utilises 4 thrusters, one pair of north thrusters (1 prime & 1 redundant) and one pair of south thrusters (1 prime & 1 redundant). Each pair of thrusters is either mounted directly to one EP Pointing Mechanism (EPPM) (1 north EPPM and 1 south EPPM), or to individual EPPMs. The EPPM is able to vary the orientation of the thruster to ensure that the thrust vector passes though the satellite’s centre of mass, which will vary over mission life. The Xenon flow control delivers the required 3 flows to the thruster when fed by a fixed inlet pressure.

Plan

The project was completed in 2 phases:
  • Phase 1: requirements phase; and
  • Phase 2: development and unit qualification of XFCU and T6 thruster.

Current Status

All project activities have been completed.
The XFCU has successfully completed its ground qualification.
The T6 Mk4 thruster qualification has been partially completed:
  • Functional performance and mechanical environment testing has been performed;
  • TVT and life test remains to be performed.