PAGE CONTENTS
Objectives
The continuous growing sophistication and size of GEO spacecraft leads to a large increase of the amount of TM available on board.
Moreover, the improvements in the performances of the data acquisition devices like A/D converters lead to an increase of the accuracy of the data acquired on board and in turn to an increase of the bandwidth necessary to download all the information.
Looking onto the heritage data and lesson learned from troubleshooting and on flight management of GEO satellite, and in the dialogue with usual prime industries, it has been paradoxically pointed out the decrease in the amount of meaningful TM available to satellite operators and the new difficulty for them to exploit all telemetry especially during emergency.
It has been found that:
- Large amounts of telemetry are wasted due to exceeded accuracy w.r.t the parameter to be measured/monitored.
- Some parameters are meaningless due to the multiple stage of the data acquisition chain.
- Some parameters are meaningless due to the inappropriate monitoring on ground: checks are more often done on a wider range than the actual distribution of the data to cover all the life phase and to avoid false alarms. Right adjustment of the monitoring parameters requires prior knowledge that is difficult to acquire for the operators.
In the end, the large amount of TM available distracts the operators from the strictly necessary telemetry to be treated during the emergency, and makes operations of the spacecraft overly complex.
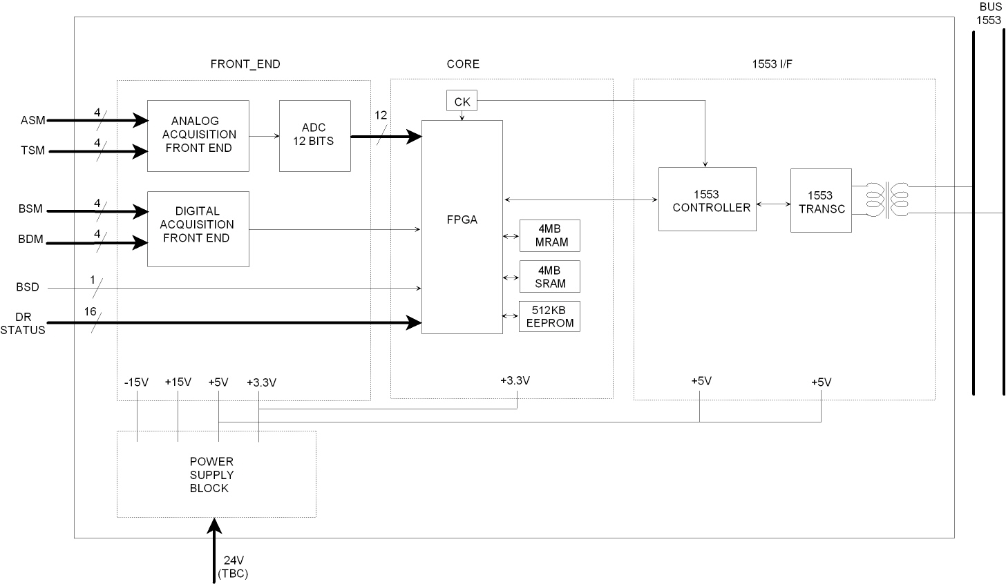
The TMU (TeleMetry Unit) is a VHDL Core developed by Thales Alenia Space to acquire and process a set of telemetry channel data with the aim of improving the TM data usefulness and of reducing the amount of data downloaded on ground
Challenges
- To take a fresh look at the needs of the operators and THALES as regards the TM capability of GEO telecom spacecraft, with a great care about the return from experience of in orbit satellite: lessons learned from spacecraft events or failures.
- Considering the selected set of TM: to present the new method of accessing and processing these TM and to define a set of requirements, in particular for diagnostic mode and required accuracy.
- To define, manufacture and validate an electric Bread Board (EBB) of a stand-alone TM interface, so called the “TM Unit”, implementing the previous requirements; the result of its impact on operability of the spacecraft should be analysed
Plan
The project team involved TAS-France and TAS-Italy with task sharing based on respective background and respective competencies.
TAS-F Cannes managed the study and covered mainly the system aspects:
- Return from EXperience (REX) collection, recommendations for improvements.
- Issue Specification for Telemetry Unit.
- Study Conclusion.
TAS-I Milan performed development and testing of Telemetry Unit :
- TMU Preliminary and Final Design.
- TMU EBB manufacturing, including Test Equipment.
- TMU integration and acceptance testing.
- TMU demonstration on ESA RASTA test bench.
To test and validate the TMU functions an Electrical Bread Board model (TMU EBB) was developed, supporting all the TMU functionalities.
Current Status
TMU VHDL code has been designed and implemented onto Electrical Bread Board (EBB) unit.

Unit acceptance has been successfully performed.
Final demonstration was held at ESTEC premises on 1st April 2014.
